Release Date:2025-09-09 15:58:53
Popularity:112
Measurement and Control
Unlock A New Series
Revolutionize Your Experience
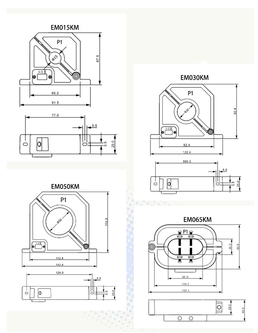
ETCR EM015KM-030KM-050KM-065KM
Split-Core High-Precision Leakage Current Sensor
The ETCR-KM Series Split-Core High-Precision Leakage Current Sensor are designed for the high-accuracy detection of AC leakage current, high-order harmonic current, phase, electric energy, power, power factor, and more. Utilizing advanced CT technology and a split-core structural design, they enable non-contact measurement without the need to disconnect the circuit under test, ensuring safety and speed. They can be connected to phase detection analyzers, industrial control devices, data loggers, oscilloscopes, harmonic analyzers, power quality analyzers, high-precision digital multimeters, and other equipment. They are widely suitable for power, telecommunications, meteorology, railways, oil fields, construction, metrology, scientific research and educational institutions, industrial and mining enterprises, and more.

Product Features
Split-Core Non-Contact Measurement Structure
No power outage or disconnection of the measured circuit is required. Portable and especially suitable for on-site online testing. Non-contact measurement is convenient, fast, safe, and reliable.
Can clamp both the live and neutral wires simultaneously to measure leakage current in cables and electrical equipment.
Precision Measurement Performance
Uses a permalloy core + shielding potting process, capable of recognizing weak currents as low as 1μA, suitable for complex interference environments.
Operating Frequency: 10Hz-100kHz, Temperature Range: -15℃ to 50℃.
Multiple Safety Protections
Insulation Strength: AC3700V/rms.
CAT III 600V Safety Rating Certification.
Signal Output Configuration
Optional Current/Voltage Signal Output.
Terminal Block or Lead Wire Output Interface.
Parameter comparison



About ETCR:
Guangdong ETCR Technology Co., Ltd. is a high-tech enterprise integrating R&D, manufacturing, sales, and application services. The company is dedicated to providing intelligent power testing instruments and remote online power quality monitoring solutions.
Key products include Clamp Earth Resistance Tester, Phase Change Switch Type 3-Phase Unbalance Correction Device, Earth resistance remote on-line detector, Insulation Resistance Tester、Non Contact Phase Sequence Indicator、Milliohmmeter、
Wireless High Voltage Phase Detector、High Voltage Electroscope、high voltage approach electric alarm、High accuracy clamp leakage current meter、H/L voltage clamp current meter、Double clamp digital phase voltammeter、3-phase digital phase voltammeter、
Power quality analyzer、Live Zinc Oxide Arrester Clamp Tester 、Overhead Line Single-phase Grounding Fault Detector. These products are widely used in power, communications, petroleum, chemical, meteorological, railway, and industrial mining sectors.
ETCR Service Hotline: +86 13802922567
For more information, visit the ETCR official website: www.etcrmeter.com